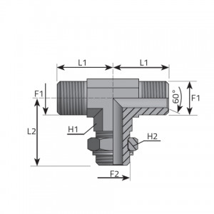
| Code | F1 inch | F2 inch | H1 mm | H2 mm | L1 mm | L2 mm | Pressure |
|---|---|---|---|---|---|---|---|
| TMG02MOG02P | 1/8 | 1/8 | 14 | 19 | 21.00 | 26.00 | 350 bar 5075 psi |
| TMG02MOG04P | 1/8 | 1/4 | 14 | 19 | 22.50 | 34.00 | 350 bar 5075 psi |
| TMG04MOG04P | 1/4 | 1/4 | 14 | 19 | 26.00 | 34.00 | 350 bar 5075 psi |
| TMG04MOG06P | 1/4 | 3/8 | 19 | 19 | 27.00 | 32.00 | 350 bar 5075 psi |
| TMG06MOG06P | 3/8 | 3/8 | 19 | 22 | 29.00 | 37.00 | 350 bar 5075 psi |
| TMG06MOG08P | 3/8 | 1/2 | 22 | 27 | 29.00 | 45.00 | 315 bar 4568 psi |
| TMG08MOG08P | 1/2 | 1/2 | 22 | 27 | 36.50 | 45.00 | 315 bar 4568 psi |
| TMG08MOG12P | 1/2 | 3/4 | 27 | 36 | 38.00 | 48.50 | 250 bar 3625 psi |
| TMG12MOG08P | 3/4 | 1/2 | 27 | 27 | 42.00 | 48.50 | 250 bar 3625 psi |
| TMG12MOG12P | 3/4 | 3/4 | 27 | 36 | 42.00 | 48.50 | 250 bar 3625 psi |
| TMG12MOG16P | 3/4 | 1 | 33 | 41 | 47.00 | 53.00 | 200 bar 2900 psi |
| TMG16MOG16P | 1 | 1 | 33 | 41 | 50.00 | 53.00 | 200 bar 2900 psi |
| TMG20MOG20P | 1 1/4 | 1 1/4 | 41 | 50 | 56.00 | 60.00 | 160 bar 2320 psi |