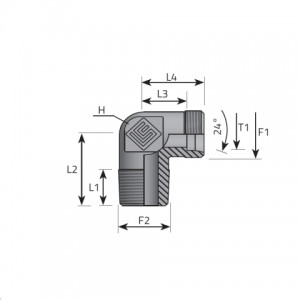
| Code | F1 mm | F1 Pitch mm | F2 inch | H mm | L1 mm | L2 mm | L3 mm | L4 mm | T1 mm | Pressure | Series |
|---|---|---|---|---|---|---|---|---|---|---|---|
| LME06LMGK02.1 | M 12.0 | X 1.50 | 1/8 | 12 | 8.00 | 20.00 | 12.00 | 19.00 | 6 | 315 bar 4568 psi |
L |
| LME06LMGK04.1 | M 12.0 | X 1.50 | 1/4 | 12 | 12.00 | 26.00 | 14.00 | 21.00 | 6 | 315 bar 4568 psi |
L |
| LME06SMGK04.1 | M 14.0 | X 1.50 | 1/4 | 12 | 12.00 | 26.00 | 16.00 | 23.00 | 6 | 630 bar 9137 psi |
L |
| LME08LMGK02.1 | M 14.0 | X 1.50 | 1/8 | 12 | 8.00 | 26.00 | 14.00 | 21.00 | 8 | 315 bar 4568 psi |
L |
| LME08LMGK04.1 | M 14.0 | X 1.50 | 1/4 | 12 | 12.00 | 26.00 | 14.00 | 21.00 | 8 | 315 bar 4568 psi |
L |
| LME08LMGK06.1 | M 14.0 | X 1.50 | 3/8 | 17 | 12.00 | 28.00 | 17.00 | 24.00 | 8 | 315 bar 4568 psi |
L |
| LME08LMGK08.1 | M 14.0 | X 1.50 | 1/2 | 19 | 14.00 | 34.00 | 19.00 | 26.00 | 8 | 315 bar 4568 psi |
L |
| LME08SMGK04.1 | M 16.0 | X 1.50 | 1/4 | 14 | 12.00 | 27.00 | 17.00 | 24.00 | 8 | 630 bar 9137 psi |
S |
| LME10LMGK02.1 | M 16.0 | X 1.50 | 1/8 | 14 | 8.00 | 22.00 | 15.00 | 22.00 | 10 | 315 bar 4568 psi |
L |
| LME10LMGK04.1 | M 16.0 | X 1.50 | 1/4 | 14 | 12.00 | 27.00 | 15.00 | 22.00 | 10 | 315 bar 4568 psi |
L |
| LME10LMGK06.1 | M 16.0 | X 1.50 | 3/8 | 17 | 12.00 | 28.00 | 17.00 | 24.00 | 10 | 315 bar 4568 psi |
L |
| LME10LMGK08.1 | M 16.0 | X 1.50 | 1/2 | 19 | 14.00 | 34.00 | 21.00 | 28.00 | 10 | 315 bar 4568 psi |
L |
| LME10SMGK06.1 | M 18.0 | X 1.50 | 3/8 | 17 | 12.00 | 28.00 | 17.50 | 25.00 | 10 | 630 bar 9137 psi |
S |
| LME12LMGK04.1 | M 18.0 | X 1.50 | 1/4 | 17 | 12.00 | 28.00 | 17.00 | 24.00 | 12 | 315 bar 4568 psi |
L |
| LME12LMGK06.1 | M 18.0 | X 1.50 | 3/8 | 17 | 12.00 | 28.00 | 17.00 | 24.00 | 12 | 315 bar 4568 psi |
L |
| LME12LMGK08.1 | M 18.0 | X 1.50 | 1/2 | 19 | 14.00 | 34.00 | 21.00 | 28.00 | 12 | 315 bar 4568 psi |
L |
| LME12SMGK06.1 | M 20.0 | X 1.50 | 3/8 | 17 | 12.00 | 28.00 | 21.50 | 29.00 | 12 | 630 bar 9137 psi |
S |
| LME12SMGK08.1 | M 20.0 | X 1.50 | 1/2 | 19 | 14.00 | 32.00 | 22.50 | 30.00 | 12 | 630 bar 9137 psi |
S |
| LME14SMGK06.1 | M 22.0 | X 1.50 | 3/8 | 19 | 12.00 | 30.00 | 22.00 | 30.00 | 14 | 630 bar 9137 psi |
S |
| LME14SMGK08.1 | M 22.0 | X 1.50 | 1/2 | 19 | 14.00 | 32.00 | 22.00 | 30.00 | 14 | 630 bar 9137 psi |
S |
| LME15LMGK06.1 | M 22.0 | X 1.50 | 3/8 | 19 | 12.00 | 34.00 | 21.00 | 28.00 | 15 | 315 bar 4568 psi |
L |
| LME15LMGK08.1 | M 22.0 | X 1.50 | 1/2 | 19 | 14.00 | 34.00 | 21.00 | 28.00 | 15 | 315 bar 4568 psi |
L |
| LME16SMGK06.1 | M 24.0 | X 1.50 | 3/8 | 24 | 12.00 | 32.00 | 24.50 | 33.00 | 16 | 400 bar 5801 psi |
S |
| LME16SMGK08.1 | M 24.0 | X 1.50 | 1/2 | 24 | 14.00 | 32.00 | 24.50 | 33.00 | 16 | 400 bar 5801 psi |
S |
| LME18LMGK08.1 | M 26.0 | X 1.50 | 1/2 | 24 | 14.00 | 36.00 | 23.50 | 31.00 | 18 | 315 bar 4568 psi |
L |
| LME18LMGK12.1 | M 26.0 | X 1.50 | 3/4 | 27 | 16.00 | 42.00 | 26.50 | 34.00 | 18 | 315 bar 4568 psi |
L |
| LME20SMGK08.1 | M 30.0 | X 2.00 | 1/2 | 27 | 14.00 | 36.00 | 26.50 | 37.00 | 20 | 400 bar 5801 psi |
S |
| LME20SMGK12.1 | M 30.0 | X 2.00 | 3/4 | 27 | 16.00 | 47.00 | 26.50 | 37.00 | 20 | 400 bar 5801 psi |
S |
| LME22LMGK12.1 | M 30.0 | X 2.00 | 3/4 | 27 | 16.00 | 47.00 | 27.50 | 35.00 | 22 | 160 bar 2320 psi |
L |
| LME25SMGK12.1 | M 36.0 | X 2.00 | 3/4 | 36 | 16.00 | 42.00 | 30.00 | 42.00 | 25 | 400 bar 5801 psi |
S |
| LME25SMGK16.1 | M 36.0 | X 2.00 | 1 | 36 | 18.00 | 48.00 | 30.00 | 42.00 | 25 | 400 bar 5801 psi |
S |
| LME28LMGK16.1 | M 36.0 | X 2.00 | 1 | 36 | 18.00 | 48.00 | 30.50 | 38.00 | 28 | 160 bar 2320 psi |
L |
| LME30SMGK16.1 | M 42.0 | X 2.00 | 1 | 41 | 18.00 | 48.00 | 35.50 | 49.00 | 30 | 400 bar 5801 psi |
S |
| LME30SMGK20.1 | M 42.0 | X 2.00 | 1 1/4 | 41 | 20.00 | 54.00 | 35.50 | 49.00 | 30 | 400 bar 5801 psi |
S |
| LME35LMGK20.1 | M 45.0 | X 2.00 | 1 1/4 | 41 | 20.00 | 54.00 | 34.50 | 45.00 | 35 | 160 bar 2320 psi |
L |
| LME38SMGK24.1 | M 52.0 | X 2.00 | 1 1/2 | 50 | 22.00 | 61.00 | 41.00 | 57.00 | 38 | 315 bar 4568 psi |
S |
| LME42LMGK24.1 | M 52.0 | X 2.00 | 1 1/2 | 50 | 22.00 | 61.00 | 40.00 | 51.00 | 42 | 160 bar 2320 psi |
L |