90° Adapter male JIC – fixed female NPT. (LMJ..FFN)

Brand : Vitillo

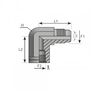
Vitillo Jic Fittings 90° Adapter male JIC – fixed female NPT. (LMJ..FFN)
Code F1 inch F2 inch H mm L1 mm L2 mm Pressure
LMJ04FFN02 7/16 1/8 14 27.50 17.00 345 bar
5003 psi
LMJ04FFN04 7/16 1/4 19 29.00 22.50 345 bar
5003 psi
LMJ05FFN02 1/2 1/8 14 27.50 17.00 345 bar
5003 psi
LMJ05FFN04 1/2 1/4 19 29.00 22.50 345 bar
5003 psi
LMJ06FFN02 9/16 1/8 14 27.50 17.00 345 bar
5003 psi
LMJ06FFN04 9/16 1/4 19 31.00 22.50 345 bar
5003 psi
LMJ06FFN06 9/16 3/8 22 31.50 26.00 310 bar
4495 psi
LMJ08FFN04 3/4 1/4 19 32.00 22.50 310 bar
4495 psi
LMJ08FFN06 3/4 3/8 22 36.00 36.00 310 bar
4495 psi
LMJ10FFN08 7/8 1/2 27 42.00 31.00 240 bar
3480 psi
LMJ12FFN08 1 1/16 1/2 27 42.00 31.00 240 bar
3480 psi
LMJ12FFN12 1 1/16 3/4 33 48.00 34.50 240 bar
3480 psi
LMJ16FFN16 1 5/16 1 41 55.00 41.00 210 bar
3045 psi

Receive an offer for Vitillo 90 Adapter Male Jic Fixed Female Npt Lmj Ffn

Other related products from our catalogue