Branch Tee bulkhead adapter male ORFS – male ORFS. (TPPMO..P)

Brand : Vitillo

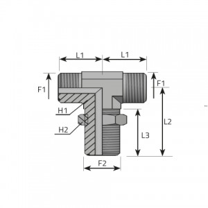
Vitillo Orfs Fittings Branch Tee bulkhead adapter male ORFS – male ORFS. (TPPMO..P)
Code F1 inch F2 inch H1 mm H2 mm L1 mm L2 mm L3 mm Pressure
TPPMO0606P 9/16 9/16 14 22 21.50 47.00 31.50 630 bar
9136 psi
TPPMO0909P 11/16 11/16 19 27 25.00 52.00 34.00 630 bar
9136 psi
TPPMO1111P 13/16 13/16 22 30 28.00 55.50 36.50 630 bar
9136 psi
TPPMO1313P 1 1 27 36 33.50 63.00 40.50 420 bar
6091 psi
TPPMO1414P 1 3/16 1 3/16 30 41 37.50 67.00 41.50 420 bar
6091 psi
TPPMO1515P 1 7/16 1 7/16 36 46 41.50 71.00 42.00 420 bar
6091 psi
TPPMO2121P 1 11/16 1 11/16 41 50 44.50 75.50 42.00 280 bar
4060 psi
TPPMO3232P 2 2 48 60 49.00 79.50 42.00 280 bar
4060 psi

Receive an offer for Vitillo Branch Tee Bulkhead Adapter Male Orfs Male Orfs Tppmo P

Other related products from our catalogue