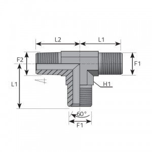
T veida BSP (collīgie) adapteri ar cilindrisku ārējo un konisku sānu ārējo vītni. (TMG..MGK..B)

Brand : Vitillo

Vitillo Bsp Adapteri T veida BSP (collīgie) adapteri ar cilindrisku ārējo un konisku sānu ārējo vītni. (TMG..MGK..B)
Kods F1 inch F2 inch H mm L1 mm L2 mm Spiediens
TMG02MGK02B 1/8 1/8 14 22.00 20.50 350 bar
5075 psi
TMG04MGK04B 1/4 1/4 14 27.00 28.00 350 bar
5075 psi
TMG06MGK06B 3/8 3/8 19 29.00 31.00 350 bar
5075 psi
TMG08MGK08B 1/2 1/2 22 36.50 37.50 315 bar
4568 psi
TMG10MGK08B 5/8 1/2 27 36.50 40.00 315 bar
4568 psi
TMG12MGK12B 3/4 3/4 27 42.00 42.00 250 bar
3625 psi
TMG16MGK16B 1 1 33 50.00 50.00 200 bar
2900 psi
TMG20MGK20B 1 1/4 1 1/4 41 56.00 60.00 160 bar
2320 psi

SAŅEMT PIEDĀVĀJUMU Vitillo T Veida Bsp Colligie Adapteri Ar Cilindrisku Arejo Un Konisku Sanu Arejo Vitni Tmg Mgk B

Citi saistīti produkti no mūsu kataloga