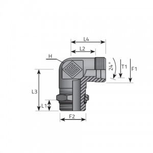
| Kods | F1 mm | F1 Pitch mm | F2 inch | H mm | L1 mm | L2 mm | L3 mm | L4 mm | T1 mm | Spiediens | Sērija |
|---|---|---|---|---|---|---|---|---|---|---|---|
| LME06LMOG02.1 | M 12.0 | X 1.50 | 1/8 | 14 | 6.30 | 14.00 | 20.20 | 21.00 | 6 | 315 bar 4568 psi |
L |
| LME06SMOG04.1 | M 14.0 | X 1.50 | 1/4 | 14 | 9.50 | 15.50 | 22.50 | 22.50 | 6 | 315 bar 4568 psi |
S |
| LME08LMOG04.1 | M 14.0 | X 1.50 | 1/4 | 14 | 9.50 | 16.00 | 22.50 | 23.00 | 8 | 315 bar 4568 psi |
L |
| LME08SMOG04.1 | M 16.0 | X 1.50 | 1/4 | 14 | 9.50 | 18.00 | 26.50 | 25.00 | 8 | 315 bar 4568 psi |
S |
| LME10LMOG04.1 | M 16.0 | X 1.50 | 1/4 | 14 | 9.50 | 15.00 | 24.50 | 22.00 | 10 | 315 bar 4568 psi |
L |
| LME10SMOG06.1 | M 18.0 | X 1.50 | 3/8 | 19 | 9.50 | 18.00 | 28.50 | 25.50 | 10 | 250 bar 3626 psi |
S |
| LME12LMOG06.1 | M 18.0 | X 1.50 | 3/8 | 19 | 9.50 | 19.00 | 27.50 | 26.00 | 12 | 250 bar 3626 psi |
L |
| LME12SMOG06.1 | M 20.0 | X 1.50 | 3/8 | 19 | 9.50 | 22.00 | 28.50 | 29.50 | 12 | 250 bar 3626 psi |
S |
| LME14SMOG08.1 | M 22.0 | X 1.50 | 1/2 | 22 | 13.00 | 22.00 | 31.00 | 30.00 | 14 | 250 bar 3626 psi |
S |
| LME15LMOG08.1 | M 22.0 | X 1.50 | 1/2 | 22 | 13.00 | 21.00 | 30.00 | 28.00 | 15 | 250 bar 3626 psi |
L |
| LME16SMOG08.1 | M 24.0 | X 1.50 | 1/2 | 27 | 13.00 | 25.00 | 36.00 | 33.50 | 16 | 250 bar 3626 psi |
S |
| LME18LMOG08.1 | M 26.0 | X 1.50 | 1/2 | 27 | 13.00 | 24.00 | 36.50 | 31.50 | 18 | 250 bar 3626 psi |
L |
| LME20SMOG12.1 | M 30.0 | X 2.00 | 3/4 | 27 | 13.00 | 28.00 | 38.00 | 38.50 | 20 | 250 bar 3626 psi |
S |
| LME22LMOG12.1 | M 30.0 | X 2.00 | 3/4 | 27 | 13.00 | 28.00 | 37.50 | 35.50 | 22 | 160 bar 2320 psi |
L |
| LME25SMOG16.1 | M 36.0 | X 2.00 | 1 | 33 | 16.00 | 30.50 | 41.00 | 42.50 | 25 | 250 bar 3626 psi |
S |
| LME28LMOG16.1 | M 36.0 | X 2.00 | 1 | 33 | 16.00 | 31.00 | 41.00 | 38.50 | 28 | 160 bar 2320 psi |
L |
| LME30SMOG20.1 | M 42.0 | X 2.00 | 1 1/4 | 41 | 16.00 | 36.00 | 48.00 | 49.50 | 30 | 160 bar 2320 psi |
S |
| LME35LMOG20.1 | M 45.0 | X 2.00 | 1 1/4 | 41 | 16.00 | 38.00 | 49.00 | 48.50 | 35 | 160 bar 2320 psi |
L |
| LME38SMOG24.1 | M 52.0 | X 2.00 | 1 1/2 | 48 | 16.00 | 34.00 | 53.00 | 50.00 | 38 | 160 bar 2320 psi |
S |
| LME42LMOG24.1 | M 52.0 | X 2.00 | 1 1/2 | 48 | 16.00 | 38.00 | 51.00 | 49.00 | 42 | 160 bar 2320 psi |
L |