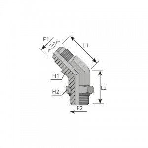
| Kods | F1 inch | F2 mm | F2 Pitch mm | H1 mm | H2 mm | L1 mm | L2 mm | Spiediens |
|---|---|---|---|---|---|---|---|---|
| QMJ04MOM10 | 7/16 | M 10.0 | X 1.00 | 14 | 14 | 19.50 | 27.00 | 310 bar 4495 psi |
| QMJ04MOM12 | 7/16 | M 12.0 | X 1.50 | 14 | 17 | 20.00 | 27.00 | 275 bar 3988 psi |
| QMJ05MOM10 | 1/2 | M 10.0 | X 1.00 | 14 | 14 | 20.00 | 24.00 | 275 bar 3988 psi |
| QMJ05MOM12 | 1/2 | M 12.0 | X 1.50 | 14 | 17 | 20.00 | 27.00 | 275 bar 3988 psi |
| QMJ05MOM14 | 1/2 | M 14.0 | X 1.50 | 14 | 19 | 20.00 | 28.00 | 275 bar 3988 psi |
| QMJ06MOM14 | 9/16 | M 14.0 | X 1.50 | 14 | 19 | 21.50 | 28.00 | 275 bar 3988 psi |
| QMJ06MOM16 | 9/16 | M 16.0 | X 1.50 | 19 | 22 | 23.00 | 33.00 | 210 bar 3045 psi |
| QMJ08MOM16 | 3/4 | M 16.0 | X 1.50 | 19 | 22 | 25.50 | 33.00 | 275 bar 3988 psi |
| QMJ08MOM18 | 3/4 | M 18.0 | X 1.50 | 19 | 24 | 25.50 | 33.00 | 275 bar 3988 psi |
| QMJ10MOM18 | 7/8 | M 18.0 | X 1.50 | 22 | 24 | 29.00 | 34.50 | 210 bar 3045 psi |
| QMJ10MOM22 | 7/8 | M 22.0 | X 1.50 | 22 | 27 | 29.00 | 38.00 | 210 bar 3045 psi |
| QMJ12MOM22 | 1 1/16 | M 22.0 | X 1.50 | 27 | 27 | 33.00 | 41.50 | 210 bar 3045 psi |
| QMJ12MOM27 | 1 1/16 | M 27.0 | X 2.00 | 27 | 32 | 33.00 | 46.00 | 210 bar 3045 psi |
| QMJ16MOM27 | 1 5/16 | M 27.0 | X 2.00 | 33 | 32 | 38.00 | 46.00 | 170 bar 2465 psi |
| QMJ16MOM33 | 1 5/16 | M 33.0 | X 2.00 | 33 | 41 | 38.00 | 46.00 | 170 bar 2465 psi |
| QMJ20MOM42 | 1 5/8 | M 42.0 | X 2.00 | 41 | 50 | 40.00 | 40.00 | 140 bar 2030 psi |