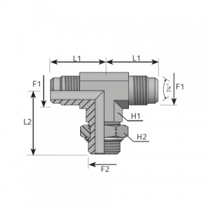
| Kods | F1 inch | F2 inch | H1 mm | H2 mm | L1 mm | L2 mm | Spiediens |
|---|---|---|---|---|---|---|---|
| TMJ04MOU04P | 7/16 | 7/16 | 14 | 14 | 23.50 | 26.00 | 310 bar 4495 psi |
| TMJ04MOU05P | 7/16 | 1/2 | 14 | 17 | 24.50 | 29.50 | 275 bar 3988 psi |
| TMJ04MOU06P | 7/16 | 9/16 | 14 | 17 | 27.00 | 31.50 | 275 bar 3988 psi |
| TMJ05MOU05P | 1/2 | 1/2 | 14 | 17 | 25.00 | 27.50 | 275 bar 3988 psi |
| TMJ06MOU06P | 9/16 | 9/16 | 14 | 17 | 27.50 | 31.50 | 275 bar 3988 psi |
| TMJ06MOU08P | 9/16 | 3/4 | 19 | 22 | 28.50 | 36.50 | 275 bar 3988 psi |
| TMJ08MOU08P | 3/4 | 3/4 | 19 | 22 | 32.00 | 36.50 | 275 bar 3988 psi |
| TMJ08MOU10P | 3/4 | 7/8 | 22 | 27 | 34.00 | 43.00 | 210 bar 3045 psi |
| TMJ08MOU12P | 3/4 | 1 1/16 | 27 | 32 | 37.00 | 49.00 | 210 bar 3045 psi |
| TMJ10MOU08P | 7/8 | 3/4 | 22 | 22 | 37.00 | 39.50 | 210 bar 3045 psi |
| TMJ10MOU10P | 7/8 | 7/8 | 22 | 27 | 37.00 | 43.00 | 210 bar 3045 psi |
| TMJ10MOU12P | 7/8 | 1 1/16 | 27 | 32 | 39.50 | 49.00 | 210 bar 3045 psi |
| TMJ12MOU08P | 1 1/16 | 3/4 | 27 | 22 | 42.00 | 42.00 | 210 bar 3045 psi |
| TMJ12MOU10P | 1 1/16 | 7/8 | 27 | 27 | 42.00 | 45.50 | 210 bar 3045 psi |
| TMJ12MOU12P | 1 1/16 | 1 1/16 | 27 | 32 | 42.00 | 49.00 | 210 bar 3045 psi |
| TMJ12MOU16P | 1 1/16 | 1 5/16 | 33 | 41 | 44.50 | 52.00 | 210 bar 3045 psi |
| TMJ16MOU12P | 1 5/16 | 1 1/16 | 33 | 32 | 46.00 | 52.00 | 170 bar 2465 psi |
| TMJ16MOU16P | 1 5/16 | 1 5/16 | 33 | 41 | 46.00 | 52.00 | 170 bar 2465 psi |
| TMJ16MOU20P | 1 5/16 | 1 5/8 | 41 | 50 | 51.00 | 57.00 | 140 bar 2030 psi |
| TMJ20MOU20P | 1 5/8 | 1 5/8 | 41 | 50 | 57.00 | 57.00 | 140 bar 2030 psi |