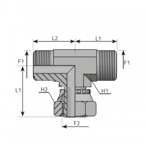
T veida adapteri ar ORFS ārējo un kustīgu ORFS iekšējo apakšējo vītni. (TMO..FGO.P)

Brand : Vitillo

Vitillo Orfs Adapteri T veida adapteri ar ORFS ārējo un kustīgu ORFS iekšējo apakšējo vītni. (TMO..FGO.P)
Kods F1 inch F2 inch H1 mm H2 mm L1 mm L2 mm Spiediens
TMO06FGO06P 9/16 9/16 14 17 21.50 26.50 630 bar
9136 psi
TMO09FGO09P 11/16 11/16 19 22 25.00 29.00 630 bar
9136 psi
TMO11FGO11P 13/16 13/16 22 24 28.00 38.00 630 bar
9136 psi
TMO13FGO13P 1 1 27 30 33.50 41.00 420 bar
6091 psi
TMO14FGO14P 1 3/16 1 3/16 30 36 37.50 46.50 420 bar
6091 psi
TMO15FGO15P 1 7/16 1 7/16 36 41 41.50 53.50 420 bar
6091 psi
TMO21FGO21P 1 11/16 1 11/16 41 50 44.50 58.00 280 bar
4060 psi
TMO32FGO32P 2 2 48 60 49.00 61.00 280 bar
4060 psi

SAŅEMT PIEDĀVĀJUMU Vitillo T Veida Adapteri Ar Orfs Arejo Un Kustigu Orfs Ieksejo Apaksejo Vitni Tmo Fgo P

Citi saistīti produkti no mūsu kataloga