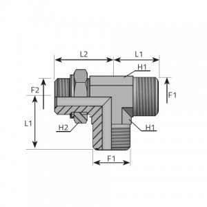
| Kods | F1 inch | F2 inch | H1 mm | H2 mm | L1 mm | L2 mm | Spiediens |
|---|---|---|---|---|---|---|---|
| TMO06MOG02B | 9/16 | 1/8 | 14 | 14 | 21.50 | 30.00 | 350 bar 5076 psi |
| TMO06MOG04B | 9/16 | 1/4 | 14 | 19 | 21.50 | 35.00 | 315 bar 4568 psi |
| TMO06MOG06B | 9/16 | 3/8 | 19 | 22 | 23.50 | 38.00 | 250 bar 3625 psi |
| TMO06MOG08B | 9/16 | 3/4 | 19 | 22 | 23.50 | 40.50 | 420 bar 6091 psi |
| TMO09MOG04B | 11/16 | 1/4 | 19 | 19 | 25.00 | 37.00 | 315 bar 4568 psi |
| TMO09MOG06B | 11/16 | 3/8 | 19 | 22 | 25.00 | 38.00 | 250 bar 3625 psi |
| TMO09MOG08B | 11/16 | 1/2 | 22 | 27 | 28.00 | 48.00 | 250 bar 3625 psi |
| TMO11MOG04B | 13/16 | 1/4 | 22 | 19 | 28.00 | 37.00 | 315 bar 4568 psi |
| TMO11MOG06B | 13/16 | 3/8 | 22 | 22 | 28.00 | 38.00 | 250 bar 3625 psi |
| TMO11MOG08B | 13/16 | 1/2 | 22 | 27 | 30.00 | 48.00 | 250 bar 3625 psi |
| TMO11MOG12B | 13/16 | 3/4 | 27 | 36 | 31.50 | 51.50 | 250 bar 3625 psi |
| TMO13MOG04B | 1 | 1/4 | 27 | 19 | 33.50 | 42.50 | 315 bar 4568 psi |
| TMO13MOG06B | 1 | 3/8 | 27 | 22 | 33.50 | 42.50 | 250 bar 3625 psi |
| TMO13MOG08B | 1 | 1/2 | 27 | 27 | 33.50 | 48.00 | 250 bar 3625 psi |
| TMO13MOG12B | 1 | 3/4 | 27 | 36 | 33.50 | 51.50 | 250 bar 3625 psi |
| TMO13MOG16B | 1 | 1 | 33 | 41 | 37.00 | 58.50 | 200 bar 2900 psi |
| TMO14MOG04B | 1 3/16 | 1/4 | 30 | 19 | 37.50 | 43.50 | 315 bar 4568 psi |
| TMO14MOG08B | 1 3/16 | 1/2 | 30 | 27 | 37.50 | 49.00 | 250 bar 3625 psi |
| TMO14MOG12B | 1 3/16 | 3/4 | 30 | 36 | 37.50 | 51.50 | 250 bar 3625 psi |
| TMO14MOG16B | 1 3/16 | 1 | 33 | 41 | 42.00 | 54.00 | 200 bar 2900 psi |
| TMO15MOG04B | 1 7/16 | 1/4 | 36 | 19 | 41.50 | 52.00 | 315 bar 4568 psi |
| TMO15MOG12B | 1 7/16 | 3/4 | 36 | 36 | 41.50 | 57.50 | 250 bar 3625 psi |
| TMO15MOG16B | 1 7/16 | 1 | 36 | 41 | 41.50 | 58.50 | 200 bar 2900 psi |
| TMO15MOG20B | 1 7/16 | 1 1/4 | 41 | 50 | 44.50 | 60.50 | 200 bar 2900 psi |
| TMO21MOG16B | 1 11/16 | 1 | 41 | 41 | 44.50 | 60.50 | 200 bar 2900 psi |
| TMO21MOG20B | 1 11/16 | 1 1/4 | 41 | 50 | 44.50 | 60.50 | 200 bar 2900 psi |
| TMO21MOG24B | 1 11/16 | 1 1/2 | 48 | 55 | 48.50 | 64.00 | 160 bar 2320 psi |
| TMO32MOG24B | 2 | 1 1/2 | 48 | 55 | 49.00 | 64.00 | 160 bar 2320 psi |