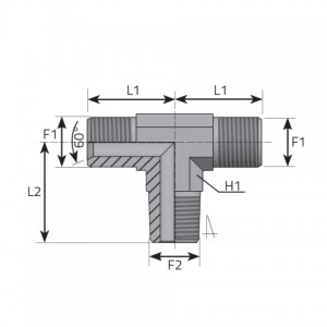
Адаптер- тройник 2 x AG дюймовый / 1 x AG-конический (центральное соединение). (TMG..MGK..P)

Brand : Vitillo

Vitillo Bsp Adaptery Адаптер- тройник 2 x AG дюймовый / 1 x AG-конический (центральное соединение). (TMG..MGK..P)
Koд F1 inch F2 inch H1 mm L1 mm L2 mm Давление
TMG02MGK02P 1/8 1/8 14 22.00 20.50 350 bar
5075 psi
TMG04MGK04P 1/4 1/4 14 27.00 28.00 350 bar
5075 psi
TMG06MGK06P 3/8 3/8 19 29.00 31.00 350 bar
5075 psi
TMG08MGK08P 1/2 1/2 22 36.50 37.50 315 bar
4568 psi
TMG10MGK08P 5/8 1/2 27 36.50 40.00 315 bar
4568 psi
TMG12MGK12P 3/4 3/4 27 42.00 42.00 250 bar
3625 psi
TMG16MGK16P 1 1 33 50.00 50.00 200 bar
2900 psi
TMG20MGK20P 1 1/4 1 1/4 41 56.00 60.00 160 bar
2320 psi

ПОЛУЧИТЬ ПРЕДЛОЖЕНИЕ Vitillo Adapter Troynik 2 X Ag Dyuymovyy 1 X Ag Konicheskiy Tsentralnoye Soyedineniye Tmg Mgk P

Другие сопутствующие товары из нашего каталога