Адаптер- тройник 2 x AG-дюймовый — 1 x NPT (центральное соединение). (TMG..MN..P)

Brand : Vitillo

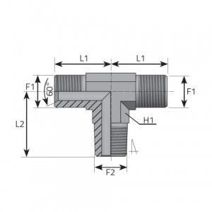
Vitillo Bsp Adaptery Адаптер- тройник 2 x AG-дюймовый — 1 x NPT (центральное соединение). (TMG..MN..P)
Koд F1 inch F2 inch H1 mm L1 mm L2 mm Давление
TMG02MN02P 1/8 1/8 14 22.00 20.50 350 bar
5075 psi
TMG04MN04P 1/4 1/4 14 27.00 28.00 350 bar
5075 psi
TMG06MN06P 3/8 3/8 19 29.00 31.00 350 bar
5075 psi
TMG08MN08P 1/2 1/2 22 36.50 37.50 315 bar
4568 psi
TMG10MN08P 5/8 1/2 27 36.50 40.00 315 bar
4568 psi
TMG12MN12P 3/4 3/4 27 42.00 42.00 250 bar
3625 psi
TMG16MN16P 1 1 33 50.00 50.00 200 bar
2900 psi
TMG20MN20P 1 1/4 1 1/4 41 56.00 60.00 160 bar
2320 psi

ПОЛУЧИТЬ ПРЕДЛОЖЕНИЕ Vitillo Adapter Troynik 2 X Ag Dyuymovyy 1 X Npt Tsentralnoye Soyedineniye Tmg Mn P

Другие сопутствующие товары из нашего каталога